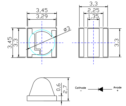
RT-M3535ET10L-PL
Product Features
* Durability with effective heat dissipation
* Durability and thermal control
* Robust protection
* Customization for different package size
Application:
Medical equipment
Barcode reader
Bill detector
Optical switch
Optical fiber communication
Remote control
Smoke detector
Consumer product
- Product Specifications
- Product Description

LED Infrared packaged in ceramic combines durability with effective heat dissipation. The ceramic packaging ensures robust protection, making it resilient in various environments. With enhanced thermal management, it provides stable performance, making it an ideal choice for applications like security systems and remote controls, ensuring reliable Infrared LED functionality.