RT-M3535VT10D-PL
Product Features
* 265 ~ 385nm is available
* Low light decay
* Customization for different package size
Application:
Bill detector
Mosquito lamp
Sterilization
Industrial hardening
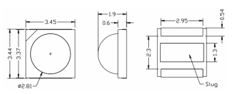
- Product Specifications
- Product Description


Common UV LEDs on the market, products below 385nm, will suffer from significant light decay, and are limited by packaging materials and other issues, resulting in a shorter application period.
The UV-LEDs manufactured by RODAN are not limited to various UV wavelengths and can be packaged in 265~365nm. They have the advantages of low light decay and customization.